
.jpg)
LKLZ氮氣流量計概述:
1、LKLZ氮氣流量計采用可變面積式測量原理,流量計全金屬結構,內部襯四氟材料,適用于腐蝕性氣體,有指示型、電遠傳型、耐腐型、高壓型、夾套型、防爆型。具有0-10mA,4-20mA的標準模擬量信號輸出和現場指示。累積,數字通訊,現場修改測量參數,不同的供電方式功能,帶有磁性過濾器和特殊規格品種。廣泛應用于,石油、化工、發電、制藥、食品、水處理等。復雜,惡劣環境條件,及各種介質條件的流量測量過程中。
2、氮氣流量計是工業自動化過程控制中常用的一種變面積流量測量儀表。它具有體積小,檢測范圍大,使用方便等特點。它可用來測量腐蝕性氣體的流量,特別適宜低流速小流量的介質流量測量。
LKLZ氮氣流量計測量部分特點:
1、堅固的全金屬結構設計型浮子流量計
2、采用獨立概念設計的測量管指示器
3、可選擇不銹鋼、哈氏合金、鈦材、PTFE材料測量系統
4、低壓力損失設計
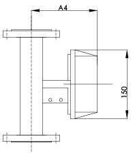
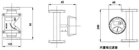
5、短行程、小型結構設計、儀表總高度250
6、磁性耦合結構確保數據傳輸、信號更加穩定
7、保溫或伴熱夾套
8、垂直、水平、各種安裝方式更適合不同使用場合
9、適用于小口徑和低流速介質流量測量
10、工作可靠,維護量小,壽命長
11、對于直管段要求不高
12、較寬的流量比10:1
13、雙行大液晶顯示,可選現場瞬時/累計流量顯示,可帶背光
14、單軸靈敏指示
15、非接觸磁耦合傳動
16、全金屬結構,適于高溫、高壓和強腐蝕性介質
17、可用于易燃、易爆危險場合
18、選二線制、電池、交流供電方式
19、多參數標定功能
20、帶有數據恢復,數據備份及掉電保護功能
LKLZ氮氣流量計主要技術參數:
◇測量范圍:水(20℃)1-200000 l/h
空氣(20℃,0.1013MPa)0.03-4000m3/h;參見流量表,特殊流量可訂制
◇量 程 比:標準型10:1
◇精 度:標準型1.0級;特殊型0.5級
◇壓力等級:標準型:DN15-DN50 4.0MPa DN80-DN200 1.6MPa
特殊型:DN15-DN50 25MPa DN80-DN200 16MPa
夾套的壓力等級為1.6MPa;特殊型在選型和訂貨前應與工廠協商
◇壓力損失:7kPa-70kP
◇介質溫度:標準型:-80℃-+200℃:PTFE:0℃-85度
高溫型:最高可達300℃
◇介質粘度:DN15:η<5mPa.s(F15.1-F15.3)/η<30mPa.s(F15.4-F15.8)
DN25:η<250mPFa.s
DN50-DN150:η<300mPa.s
◇環境溫度:指針型-40℃-+120℃
◇連接形式:標準型:DIN2501標準法蘭
特殊型:由用戶指定的任意標準法蘭或螺紋
◇電纜接口:M20*1.5
◇供電電源:標準型:24VDC二線制4-20mA(10.8VDC-36VDC)
◇報警輸出:上限或下限瞬時流量報警,集電極開路輸出(最大100mA@30VDC內部阻抗100歐)
繼電器輸出(觸點容量1A@30VDC或0.25A@250VAC或0.5A@125VAC)
◇脈沖輸出:累積脈沖輸出,最小間隔50毫秒
◇液晶顯示:瞬時流量顯示數值范圍:0-50000
累計流量顯示數值范圍:0-99999999(可帶小數點)
◇防護等級:IP65
◇防爆標志:本安型iaⅡCT5;隔爆型dⅡBT6
◇LKLZ氮氣流量計測量范圍
|
耐腐型通徑 DN(mm) |
普通型通徑 DN(mm) |
流 量 范 圍 |
最大壓力損失 |
||
|
空氣m3/h 20℃ 0.101325 MPa |
水L/h 20℃ |
空氣(kPa) |
水(kPa) |
||
|
15 |
15 |
0.07~0.7 |
2.5~25 |
7.1 |
6.5 |
|
0.11~1.1 |
4.0~40 |
7.2 |
6.5 |
||
|
0.18~1.8 |
6.0~60 |
7.3 |
6.6 |
||
|
0.28~2.8 |
10~100 |
7.5 |
6.6 |
||
|
0.40~4.0 |
16~160 |
8.0 |
6.8 |
||
|
0.70~7.0 |
25~250 |
10.8 |
7.2 |
||
|
1.00~10 |
40~400 |
10 |
8.6 |
||
|
25 |
1.60~16 |
60~600 |
14 |
11.1 |
|
|
25 |
3.00~30 |
100~1000 |
7.7 |
7 |
|
|
4.50~45 |
160~1600 |
8.8 |
8 |
||
|
7.00~70 |
250~2500 |
12 |
10.8 |
||
|
50 |
11~110 |
400~4000 |
19 |
15.8 |
|
|
50 |
18~180 |
600~6000 |
8.6 |
8.1 |
|
|
25~250 |
1000~10000 |
10.4 |
11 |
||
|
80 |
40~400 |
1600~16000 |
15.6 |
17 |
|
|
80 |
75~750 |
2500~25000 |
|
8.1 |
|
|
100 |
100~1000 |
4000~40000 |
|
9.5 |
|
|
100 |
150~1500 |
6000~60000 |
|
10 |
|
|
150 |
125 |
|
8000~80000 |
|
|
|
|
|
100000~1000000 |
|
|
|
|
|
150 |
|
15000~150000 |
||
體積流量Q的基本方程式為:
式中α 儀表的流量系數,因浮子形狀而異;
ε 被測流體為氣體時氣體膨脹系數,通常由于此系數校正量很小而被忽略,且通過校驗已將它包括在流量系數內,如為液體則ε= 1
△F 流通環形面積,m2 ;
g 當地重力加速度,m/s2;
Vf 浮子體積,如有延伸體亦應包括,m3;
ρf 浮子材料密度,kg/m3;
ρ 被測流體密度,如為氣體是在浮子上游橫截面上的密度,kg/m3;
Ff 浮子工作直徑(最大直徑)處的橫截面,m2;
Gf 浮子重量,kg。
流通環形面積與浮子高度之間的關系如式(3)所示,當結構設計已定,則d、β為常量。
式中有h的二次項,一般不能忽略此非線性關系,只有在圓錐角很小時,才可視為近似線性。
式中d 浮子最大直徑(即工作直徑),m;
h 浮子從錐管內徑等于從浮子最大直徑處上升高度,m;
β 錐管的圓錐角;
a、b 為常數
從(1),(2),(3)公式可知,在一定的條件下,浮子在錐管內的高度與體積流量有一定的比例對應關系。讀出浮子的高度,就可以知道相對應的體積流量,再通過轉換器,將浮子的高度轉換成所對應的體積流量所對應的刻度,這就是金屬管浮子流量計的檢測原理。
轉換指示器
轉換器實際上是將錐管內浮子的高度轉換成所對應的體積流量的刻度。從輸出信號來分:有就地顯
示型和遠傳信號輸出型:
就地顯示型:由就地指示器中的隨動磁鋼與浮子內磁鋼耦合,而發生轉動,同時電動指針通過刻度盤指示出此時流量
智能遠傳型,由智能型指示器中的隨動磁鋼與浮子內磁鋼耦合,而發生轉動,同時帶動傳感磁鋼及指針,通過一個磁傳感器將磁場變化轉化成電信號,經A/D轉換,數字濾波,微處理器處理,D/A輸出,LCD液晶顯示,來顯示出瞬時流量及累積流量大小。(如下圖所示)

式中α 儀表的流量系數,因浮子形狀而異;
ε 被測流體為氣體時氣體膨脹系數,通常由于此系數校正量很小而被忽略,且通過校驗已將它包括在流量系數內,如為液體則ε= 1
△F 流通環形面積,m2 ;
g 當地重力加速度,m/s2;
Vf 浮子體積,如有延伸體亦應包括,m3;
ρf 浮子材料密度,kg/m3;
ρ 被測流體密度,如為氣體是在浮子上游橫截面上的密度,kg/m3;
Ff 浮子工作直徑(最大直徑)處的橫截面,m2;
Gf 浮子重量,kg。
流通環形面積與浮子高度之間的關系如式(3)所示,當結構設計已定,則d、β為常量。
式中有h的二次項,一般不能忽略此非線性關系,只有在圓錐角很小時,才可視為近似線性。
式中d 浮子最大直徑(即工作直徑),m;
h 浮子從錐管內徑等于從浮子最大直徑處上升高度,m;
β 錐管的圓錐角;
a、b 為常數
從(1),(2),(3)公式可知,在一定的條件下,浮子在錐管內的高度與體積流量有一定的比例對應關系。讀出浮子的高度,就可以知道相對應的體積流量,再通過轉換器,將浮子的高度轉換成所對應的體積流量所對應的刻度,這就是